Bài 91 – Triển khai mặt bằng lanh tô tầng 2
Nội dung bài học 91
1. Tạo lanh tô cửa cho tầng 2
2. Tạo mặt bằng lanh tô tầng 2
3. Tag, Dim triển khai mặt bằng lanh tô tầng 2
XEM VIDEO HỌC THỬ (XEM TRƯỚC)
Triển khai mặt bằng lanh tô giúp người thợ trong quá trình đổ lanh tô đúng kích thước và thép cấu tạo.
Lanh tô là cấu kiện giúp đỡ tải trọng tường trên cửa sổ, cửa đi.
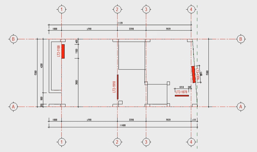
Triển khai mặt bằng lanh tô tầng 2 nhà phố bằng phần mềm Revit
Bước 1: và 3d ẩn hết thép và bật link file revit kiến trúc. Chỉnh section box cắt qua tầng 2 để tìm vị trí cần có lanh tô.

Bước 2: vào tab bimspeed standard chọn ceate và chọn tạo lanh tô từ file link revit

Bước 3: ấn tạo lanh tô, tool bim speed sẽ hỗ trợ vẽ toàn bộ lanh tô

Bước 4: triển khai mặt bằng lanh tô duplicate mặt bằng kết cấu tầng 1 rồi chỉnh view ranger cao lên để nhìn thấy lanh tô. Đổi màu lanh tô cho dễ nhìn rồi tiến hành dim tag lanh tô.

Triển khai mặt bằng lanh tô tầng 2 nhà phố trong Revit là nội dung bài học 91 trong khoá học triển khai bản vẽ kết cấu nhà phố bằng phần mềm Revit. Mời các bạn cùng theo dõi nội dung chi tiết trong bài học, với các bước thực hiện chi tiết với sự hướng dẫn của giảng viên.
ĐĂNG KÝ KHÓA HỌC NGAY TẠI ĐÂY
Đánh giá bài viết
[Tất cả: 0 Trung bình: 0]
